背景描述:
隨著科技的進步和發展,電力電子類的設備應用越來越廣泛,在各類民用及公共建筑中存在大量的電力電子負載,如LED節能燈、電梯、UPS、空調、電腦等,由于用電的不均衡及隨機性,導致了用電的不平衡,同時非線性負載的大量接入,導致注入系統的諧波越來越多,從而中性線電流過大,更加重了對電網的污染。參照誰污染誰治理的原則,對于末端電能的優化要求越來越高,特別是治理措施的可實施性及可靠性,如何進一步保證新型電子負載在快速發展的同時,確保用電安全,并且將對電網的影響降到最小,顯得尤為重要。
治理方案:
采用SinPOWER品牌ibook系列有源電能裝置后,該配電系統中的三相負荷不平衡、無功電流、諧波電流均得到了消除,電網側治理效果明顯。
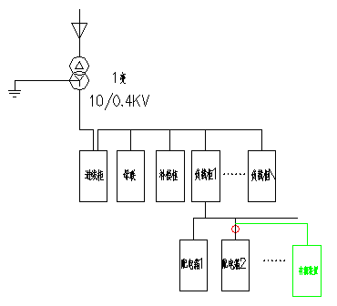
安裝在末端三相負荷配電箱,如下圖:

治理效果:
治理前后數據對比(總進線數據):

治理前 治理后
|
序號 |
名稱 |
A相(A) |
B相(A) |
C相(A) |
N相(A) |
|
1 |
治理前電流 |
66.9 |
17.3 |
18.8 |
56.5 |
|
2 |
治理后電流 |
29.9 |
27.8 |
27.5 |
6.1 |
治理前后數據對比(末端數據):經過數據對比,治理效果明顯。

治理前 治理后
|
序號 |
名稱 |
A相(A) |
B相(A) |
C相(A) |
N相(A) |
|
1 |
治理前電流 |
8.4 |
0 |
16 |
14.2 |
|
2 |
治理后電流 |
8.5 |
7.8 |
8.7 |
1.8 |
經過數據對比,治理效果明顯。
產品簡介及主要技術參數:
ibook系列有源電能模塊是愛科賽博采用全新SIC技術研發的一款超高功率密度的產品。其開關頻率可達90kHz,具有更輕更靜的優點。

技術指標:
|
新技術 |
寬禁帶半導體SiC |
|
開關頻率 |
90kHz |
|
補償諧波次數 |
2次~50次 |
|
補償方式 |
諧波、不平衡、無功治理 |
|
過載 |
自動限制到額定電流輸出 |
|
效率 |
>97% |
|
噪聲 |
≤55dB |
|
響應時間 |
10ms |
|
防護等級 |
IP20 |